Nagykereskedelem Vegyi súroló

  • Vegyi súroló

Vegyi súroló

A kémiai súroló egy fejlett súrolószűrő. Speciális szerkezetet és nagy fajlagos felületű rendszeres csomagolást használ tömegtranszfer és dehidratáló csomagolásként. Ugyanakkor a szagban lévő különböző szagokat okozó komponensek szerint a megfelelő savat, lúgot és oxidálószert abszorpciós mosófolyadékként használják a szag eltávolítására a térben és a környező környezetre gyakorolt ​​hatások kiküszöbölésére.

A szagú légáram a légcsatornán keresztül jut el a toronyba a torony bemenetén keresztül. A toronyba való belépés után alulról felfelé halad át a tömítőrétegen, végül a torony felső csővezetékének kimenetén keresztül a korróziógátló ventilátoron keresztül távozik. A semlegesítő oldat áthalad a torony tetején lévő folyadékleválasztón, egyenletesen bepermetezi a töltőrétegbe, lefolyik a töltőréteg felületén, amíg a csővezetéken keresztül ki nem távozik a torony aljáról, majd a korróziógátló keringető szivattyú keringeti. Ahogy az oldott anyagok koncentrációja a felszálló légáramban egyre alacsonyabb lesz, a tisztítási funkciót akkor érik el, amikor elérik a torony tetejét, és a következő lépésben kiürül, vagy folytatódik a tisztítása. Ellenkezőleg, a közeg koncentrációja a leszálló folyadékban egyre magasabb lesz, és akkor éri el a folyamat körülményeit, amikor eléri a torony alját, és kiürül a toronyból.

A permetező csomagolótorony előnyei: Nagy hatékonysággal, kis folyadéktartó kapacitással, könnyű súlyával és könnyű kezelhetőségével rendelkezik, amely lehetővé teszi a dolgozók azonnali kezdését. A töltőanyag a megrendelő által biztosított munkakörülmények szerint választható ki. Sokféle típus létezik, és általában korrózióálló gömbgyűrűket használnak. Figyelembe kell azonban venni, hogy a szilárd lebegőanyag nagy szemcseátmérője miatt eltömítheti a töltőanyagot, így általában nem alkalmas szilárdanyag-kezelésre. Például a gyárak által termelt NH₃, HCl, H2S, nitrogén-oxidok és szerves hulladékgázok hatékonyan kezelhetők ezzel a berendezéssel.

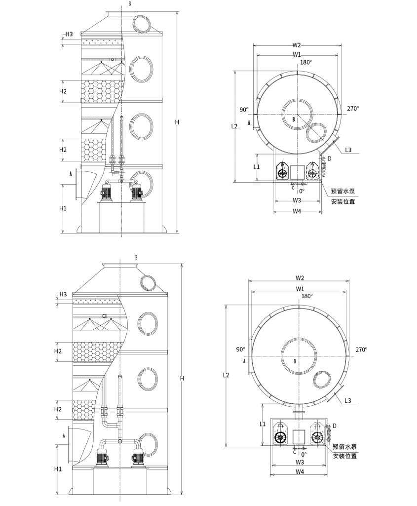
A gázmosó kémiai szerkezete:
Az ábrán látható módon: A teljes csomagolt permetező súrolórendszer a következő összetevőket tartalmazza:

1. A toronytest PP (polipropilén) lemezekből készült;

2. Csomagoló tartókeret PP rácspanelekből;

3. UPVC-ből készült permetező összekötő csövek;

4. PP spirál fúvókák;

5. Üreges golyós vagy Pall gyűrűs csomagolás;

6. Korrózióálló PP keringető szivattyú;

7. Hálós páramentesítő réteg;

8. Kézi és automata vízutánpótló berendezések;

9. Túlfolyó és vízelvezető csövek;

10. Ellenőrző ablak.

Vegyi mosó kiválasztása:
A csomagolt permetező súrológép műszaki paramétereinek táblázata

A szállítás kényelme és biztonsága érdekében a PP-csomagolású permetező mosók két típusra oszthatók:

1. típus: Beépített víztartályba csomagolt permetező súroló (A torony átmérője: Φ1000mm-Φ2200mm)

2. típus: Osztott típusú víztartályba csomagolt permetező mosó (torony átmérő: Φ2500mm-Φ3500mm)


A légáramlási kapacitásnak megfelelő modellspecifikációk:

Modell Levegőmennyiség Eszköz mérete Vízszivattyú teljesítménye Töltés vastagsága A szél sebessége Berendezés anyaga
LRTL-600 0-1500 m³/h Φ600x3000 0,75 kW 500*2 1,48 m/s PP/304/Q235/FRP
LRTL-800 1501-2500 m³/h Φ800x3000 0,75 kW 500*2 1,39 m/s PP/304/Q235/FRP
LRTL-1000 2501-4000 m³/h Φ1000x5000 1,5kw 500*2 1,42 m/s PP/304/Q235/FRP
LRTL-1200 4001-6000 m³/h Φ1200x5000 2.2kw 500*2 1,48 m/s PP/304/Q235/FRP
LRTL-1500 6001-9500 m³/h Φ1500x5000 3,75 kW 500*2 1,5 m/s PP/304/Q235/FRP
LRTL-1800 9501-14000 m³/h Φ1800x5000 5,5kw 500*2 1,53 m/s PP/304/Q235/FRP
LRTL-2000 14001-17000 m³/h Φ2000x6000 5,5kw 500*2 1,5 m/s PP/304/Q235/FRP
LRTL-2200 17001-20000 m³/h Φ2200x6000 7,5 kW 500*2 1,46 m/s PP/304/Q235/FRP
LRTL-2500 20001-27000 m³/h Φ2500x6000 7,5 kW 500*2 1,53 m/s PP/304/Q235/FRP
LRTL-2800 27001-33000 m³/h Φ2800x6000 15kw 500*2 1,49 m/s PP/304/Q235/FRP
LRTL-3000 33001-38000 m³/h Φ3000x6800 15kw 500*2 1,49 m/s PP/304/Q235/FRP
LRTL-3200 38001-44000 m³/h Φ3200x6800 15kw 500*2 1,52 m/s PP/304/Q235/FRP
LRTL-3500 44001-55000 m³/h Φ3500x6800 15kw 500*2 1,5 m/s PP/304/Q235/FRP

Megjegyzés: A nem szabványos minták az ügyfelek igényei szerint testreszabhatók.

Kiválasztási diagram:

Hangzhou Lvran Environmental Protection Group Co., Ltd.

  • 1000+

    A szervizegység vásárlói

  • 2000+

    Országos mérnöki ügyek

A Hangzhou Lvran Environmental Protection Group Co., Ltd. egy átfogó hulladékgáz-kezelő rendszermérnöki szolgáltató és berendezésgyártó, amely integrálja a K+F-et, a műszaki szolgáltatásokat, a tervezést, a gyártást, a műszaki telepítést és az értékesítés utáni szolgáltatást.

We are China Vegyi súroló Suppliers and Wholesale Vegyi súroló Exporter, Company. A csoport nemzeti csúcstechnológiai vállalkozás, Zhejiang tartomány tudományos és technológiai vállalkozása, regionális K+F központja és AAA besorolású hitelegysége. Több mint 30 használati mintaszabadalommal, számos találmányi szabadalommal és szoftver szerzői joggal rendelkezik. A cégcsoport régóta fennálló műszaki kutatás-fejlesztési együttműködést folytat hazai egyetemekkel és intézményekkel, beleértve az Anhui Tudományos és Technológiai Egyetemmel létrehozott "Környezeti Innovációs K+F Központot", valamint a Zhejiang Sci-Tech Egyetemmel közösen kifejlesztett "Plazmaenergia és Környezetvédelmi Új Technológiai K+F Központot". A Csoport létrehozta saját K+F és termelési bázisát a mélyreható műszaki együttműködés érdekében. A Csoport rendelkezik az alapvető VOC gázkezelési technológiával, 2. szintű fővállalkozói képesítéssel az önkormányzati közmunkák építésére, biztonsági gyártási engedéllyel, B osztályú speciális tervezési képesítéssel a környezetszennyezés ellenőrzésére Zhejiang tartományban, besorolatlan munkaerő-szolgálati képesítésekkel és speciális projektekre vonatkozó speciális szerződésekkel. A Csoport rendelkezik ISO9001-es nemzetközi minőségi, ISO14001-es környezetirányítási, valamint ISO45001-es minősítéssel a munkahelyi egészségvédelem és biztonság tekintetében.

TISZTELET ÉS BIZONYÍTVÁNY

A következő kitüntetések a mi ragyogásunkat tükrözik. Kiváló minőségű termékekkel nyerjük meg vásárlóinkat, és jó szolgáltatásainkkal nagy dicséretet nyerünk a piac és az élet minden területén.

  • Lemez típusú nagy elektromos térerősségű alapegység és reaktor a felület mentén történő szivárgás megakadályozására
  • Reakciókészülék metanol szintézisére szén-dioxid és víz felhasználásával, valamint eljárás metanol előállítására szén-dioxid és víz felhasználásával
  • Öntisztító elektrosztatikus leválasztó
  • Korrózióálló nagynyomású ventilátor szélirány-beállító funkcióval
  • Állítható öntisztító nagy teljesítményű ventilátor
  • Kombinált katalitikus gázosítás kipufogógáz-előkezelő rendszer
  • Gőztisztító folyamatos elektrosztatikus mező kipufogógáz-tisztító és -kezelő rendszer
  • Alacsony hőmérsékletű plazma UV fotolízis kipufogógáz-tisztító berendezés
  • Védjegy lajstromozási tanúsítvány
Legutóbbi hírek és események
Oszd meg veled
További hírek megtekintése