Nagykereskedelem Ciklonlemezes nedves súroló

  • Ciklonlemezes nedves súroló

Ciklonlemezes nedves súroló

A ciklon mosótorony jellemzően hengeres toronytesttel rendelkezik, spirális terelőlemezekkel. Üzem közben a füstgáz a torony aljáról érintőlegesen belép és felfelé áramlik. A terelőlemezek pengéitől vezérelve a gáz spirálisan felfelé halad, finom cseppekké porlasztva a lemezeken lefolyó folyadékot. Ez nagy gáz-folyadék érintkezési felületet hoz létre. A cseppeket a gázáram hordozza és forog, centrifugális erőt generálva, amely fokozza a gáz-folyadék kölcsönhatást. Végül a cseppek a torony falára dobódnak, a fal mentén lefelé áramlanak a következő terelőlemezhez, és a gázáram újra porlasztja őket további érintkezés céljából. A leírtak szerint a folyadék alaposan érintkezik a gázzal, miközben fenntartja a hatékony elválasztást – minimalizálva a köd felszívódását. Ennek a rendszernek a gáz-folyadék teherbírása több mint kétszerese a hagyományos terelőlapokénak.

A torony kiváló gáz-folyadék érintkezési feltételei biztosítják a füstgázok hatékony elnyelését a lúgos folyadékok által. Ezenkívül a ciklon súrolótorony kiváló poreltávolítási teljesítményt nyújt. A gázban lévő porszemcséket a spirális terelőlemezeken lévő vízköd felfogja, és a centrifugális erő hatására a torony falára dobott részecskéket és cseppeket is hatékonyan eltávolítják. Ennek eredményeként a toronyból kilépő gáz minimális port és cseppeket hordoz. Az üres torony szélsebessége 2,2-2,7 m/s között mozog.

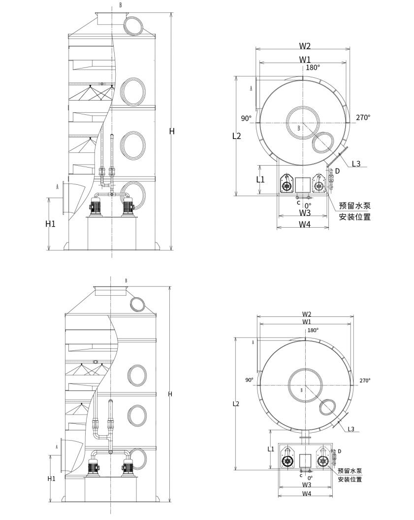
Örvényszóró torony szerkezete:
Az ábrán látható módon: A teljes csomagolt permetező súrolórendszer a következő összetevőket tartalmazza:

● Toronyház PP (polipropilén) lemezekből;

● A keret PP spirál terelőlemezekkel készült;

● UPVC (plasztiatlan polivinil-klorid) csatlakozócsövek szórással;

● PP spirál fúvókák;

● Korrózióálló PP keringető szivattyú;

● Páramentesítő réteg (háló/ciklon/terelőlemez típusú);

● Kézi és automata vízutánpótló berendezések;

● Túlfolyó és vízelvezető csövek;

● Ellenőrző ablak.

Ciklon lemeztorony kiválasztási paraméterek:
A szállítás kényelme és biztonsága érdekében a PP ciklon mosótornyok két specifikációs kategóriába sorolhatók:

1. típus: Beépített víztartály ciklonmosó (a torony átmérője: Φ1000mm-Φ2200mm)

2. típus: Osztott típusú víztartály ciklonmosó (a torony átmérője: Φ2500mm-Φ3500mm)


A légáramlási kapacitásnak megfelelő ciklonmosótorony modellek:

Modell Levegőmennyiség tartomány Eszköz mérete Vízszivattyú teljesítménye Az örvénylapátok száma Szélsebesség tartomány Berendezés anyaga
XL-600 0-2800 m³/h Φ600×2950 0,75 kW 2 0-2,76 m/s PP/304/Q235/FRP
XL-800 3800-5000 m³/h Φ800×3300 0,75 kW 2 2,11-2,77 m/s PP/304/Q235/FRP
XL-1000 6000-7500 m³/h Φ1000×4380 1,5 kW 2 2,13-2,66 m/s PP/304/Q235/FRP
XL-1200 8500-11000 m³/h Φ1200×4430 2,2 kW 2 2,09-2,71 m/s PP/304/Q235/FRP
XL-1500 14000-17000m³/h Φ1500×5000 3,75 kW 2 2,2-2,68 m/s PP/304/Q235/FRP
XL-1800 20000-25000m³/h Φ1800×5650 5,5kw 2 2,19-2,73 m/s PP/304/Q235/FRP
XL-2000 25001-30000 m³/h Φ2000×6200 5,5kw 2 2,21-2,66 m/s PP/304/Q235/FRP
XL-2200 30001-37000m³/h Φ2200×6700 7,5 kW 2 2,19-2,71 m/s PP/304/Q235/FRP
XL-2500 40000-47000m³/h Φ2500×6850 7,5 kW 2 2,27-2,66 m/s PP/304/Q235/FRP
XL-2800 49000-58000m³/h Φ2800×7900 11kw 2 2,21-2,62 m/s PP/304/Q235/FRP
XL-3000 58000-68000m³/h Φ3000×8000 11kw 2 2,28-2,67 m/s PP/304/Q235/FRP
XL-3200 68000-78000m³/h Φ3200×8000 15kw 2 2,35-2,7 m/s PP/304/Q235/FRP
XL-3500 78000-88000m³/h Φ3500×8000 15kw 2 2,25-2,54 m/s PP/304/Q235/FRP

Megjegyzés: A nem szabványos minták az ügyfelek igényei szerint készíthetők.

Kiválasztási diagram:

Hangzhou Lvran Environmental Protection Group Co., Ltd.

  • 1000+

    A szervizegység vásárlói

  • 2000+

    Országos mérnöki ügyek

A Hangzhou Lvran Environmental Protection Group Co., Ltd. egy átfogó hulladékgáz-kezelő rendszermérnöki szolgáltató és berendezésgyártó, amely integrálja a K+F-et, a műszaki szolgáltatásokat, a tervezést, a gyártást, a műszaki telepítést és az értékesítés utáni szolgáltatást.

We are China Ciklonlemezes nedves súroló Suppliers and Wholesale Ciklonlemezes nedves súroló Exporter, Company. A csoport nemzeti csúcstechnológiai vállalkozás, Zhejiang tartomány tudományos és technológiai vállalkozása, regionális K+F központja és AAA besorolású hitelegysége. Több mint 30 használati mintaszabadalommal, számos találmányi szabadalommal és szoftver szerzői joggal rendelkezik. A cégcsoport régóta fennálló műszaki kutatás-fejlesztési együttműködést folytat hazai egyetemekkel és intézményekkel, beleértve az Anhui Tudományos és Technológiai Egyetemmel létrehozott "Környezeti Innovációs K+F Központot", valamint a Zhejiang Sci-Tech Egyetemmel közösen kifejlesztett "Plazmaenergia és Környezetvédelmi Új Technológiai K+F Központot". A Csoport létrehozta saját K+F és termelési bázisát a mélyreható műszaki együttműködés érdekében. A Csoport rendelkezik az alapvető VOC gázkezelési technológiával, 2. szintű fővállalkozói képesítéssel az önkormányzati közmunkák építésére, biztonsági gyártási engedéllyel, B osztályú speciális tervezési képesítéssel a környezetszennyezés ellenőrzésére Zhejiang tartományban, besorolatlan munkaerő-szolgálati képesítésekkel és speciális projektekre vonatkozó speciális szerződésekkel. A Csoport rendelkezik ISO9001-es nemzetközi minőségi, ISO14001-es környezetirányítási, valamint ISO45001-es minősítéssel a munkahelyi egészségvédelem és biztonság tekintetében.

TISZTELET ÉS BIZONYÍTVÁNY

A következő kitüntetések a mi ragyogásunkat tükrözik. Kiváló minőségű termékekkel nyerjük meg vásárlóinkat, és jó szolgáltatásainkkal nagy dicséretet nyerünk a piac és az élet minden területén.

  • Lemez típusú nagy elektromos térerősségű alapegység és reaktor a felület mentén történő szivárgás megakadályozására
  • Reakciókészülék metanol szintézisére szén-dioxid és víz felhasználásával, valamint eljárás metanol előállítására szén-dioxid és víz felhasználásával
  • Öntisztító elektrosztatikus leválasztó
  • Korrózióálló nagynyomású ventilátor szélirány-beállító funkcióval
  • Állítható öntisztító nagy teljesítményű ventilátor
  • Kombinált katalitikus gázosítás kipufogógáz-előkezelő rendszer
  • Gőztisztító folyamatos elektrosztatikus mező kipufogógáz-tisztító és -kezelő rendszer
  • Alacsony hőmérsékletű plazma UV fotolízis kipufogógáz-tisztító berendezés
  • Védjegy lajstromozási tanúsítvány
Legutóbbi hírek és események
Oszd meg veled
További hírek megtekintése